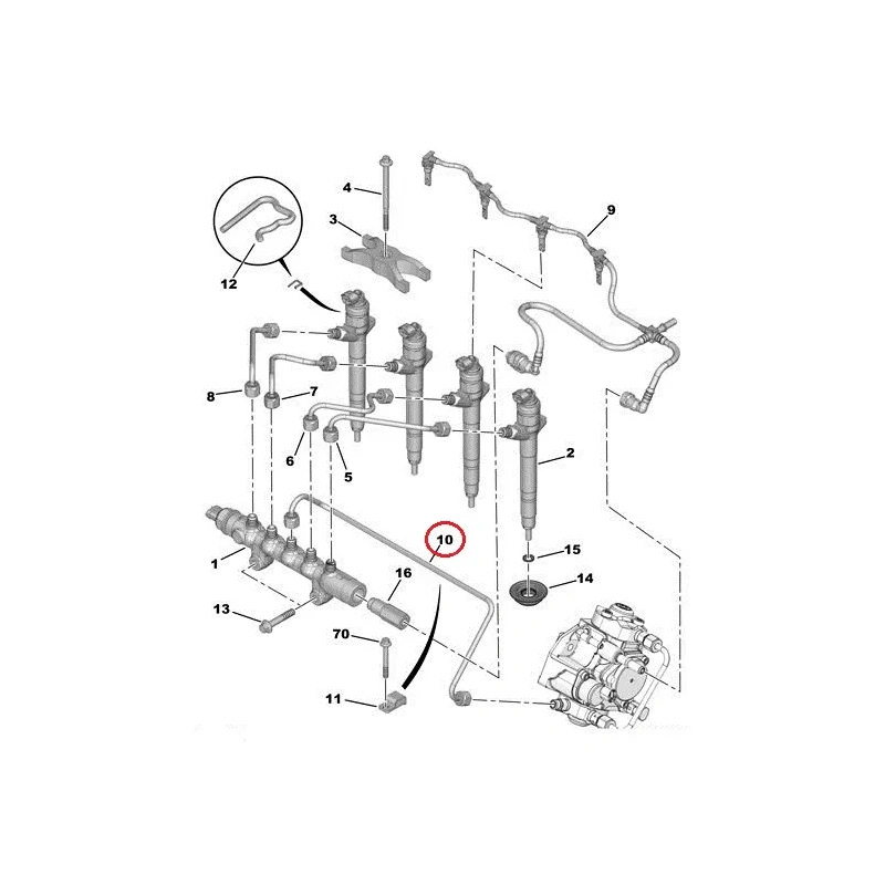
Трубка высокого давления топливного насоса OEM Jumper/Boxer/Ducato 2,2HDI 2006- Euro4
			Цена:
							
				
				
						
											 52,70 € 
			
			
								| weight | 0.000000 | 
Схожие продукты
			
					Originaalvaruosa!				
		
										Артикул: REN  7711497471			
						
										,   Кол-во на складе: Под заказ			
						
						
		
	
							372,00 €							
	
	
										Артикул: JAD  96026J			
						
										,   Кол-во на складе: В наличии			
						
						
		
	
							27,28 €							
	
	
					Originaalvaruosa!				
		
										Артикул: FIAT  504384346			
						
										,   Кол-во на складе: В наличии			
						
						
		
	
							93,00 €							
	
	
					Originaalvaruosa!				
		
										Артикул: PSA  1982J3			
						
										,   Кол-во на складе: В наличии			
						
						
		
	
							19,84 €							
	
	
	

